Hello! Shenzhen Win-drive Automation Equipment Co., Ltd. welcomes you!
    0755-82113520、13823217507(WeChat)Site map|Legal Notice|Chinese
    Service
    Service
    Current location: Home Service Blueprint download PLFE64 planetary gearbox standard model drawing download
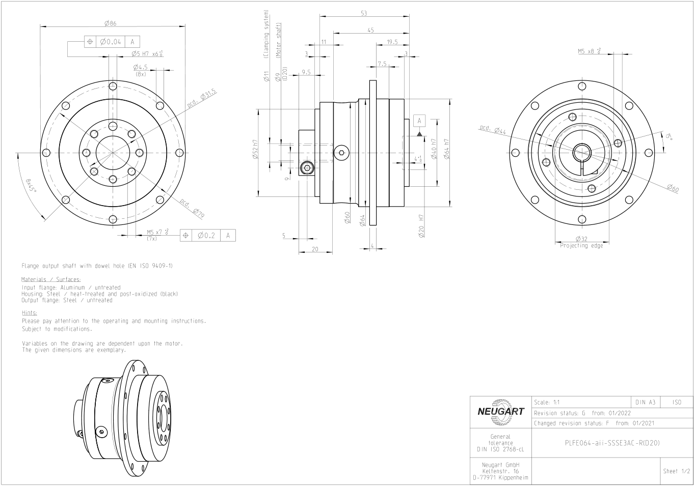
    PLFE64 planetary gearbox standard model drawing download

    2022-05-05|admin

    PLFE is a planetary gearbox with a compact flanged output shaft.

    It saves at least a third of space and is five times more rigid in torsion. With its standardized flange interface,

    The planetary gearbox is easy to install. Built-in dowel pin holes also provide additional security when securing.

    for transmissions, for servo motors, for conveyors, for lifting applications, for robotics, for automation equipment, for handling equipment, for packaging machines, for agricultural machinery

    Contact technology to provide a full range of gearbox product information


    Download the internal structure diagram of PLFE planetary gearbox online:


    PLFE行星減速機圖紙.png

    PLFE reducer structure diagram online download:

    PLFE064 reference drawing.zip

    PLFE090 reference drawing.zip

    PLFE110 reference drawing.zip


    Tel: 0755-82113520, 13823217507  
    E-mail: sales@sz -windrive. com  
    URL: ylry.cn com  
    Address: room 406, MaoYuan building, No. 9, Songyuan Road, Guiyuan street, Luohu District, Shenzhen  

    WeChat

    Links
    Shenzhen Win-Drive Automation Equipment Co., Ltd.  ALL RIGHT RESERVED 粵ICP備12016317號