Hello! Shenzhen Win-drive Automation Equipment Co., Ltd. welcomes you!
    0755-82113520、13823217507(WeChat)Site map|Legal Notice|Chinese
    Service
    Service
    Current location: Home Service Blueprint download Dimensional drawing of precision PSFN planetary gearbox
    Dimensional drawing of precision PSFN planetary gearbox

    2022-05-06|admin


    The PSFN flanged planetary gearbox adopts a standardized flange interface and is equipped with self-developed high-precision gears. This gearbox has a high anti-tilting moment and can complete many difficult tasks. The dimension drawings of all series of PSFN gearboxs can be downloaded online. For specific gearbox selection, you can contact technical assistance for selection, and provide motor model or required parameter load for selection. Professional selection software - NCP, can complete the configuration of the entire motor and gearbox combination in a few minutes according to the input application data. Comprehensive data covering over 17,000 motors from all common manufacturers. Free NCP is available to you.

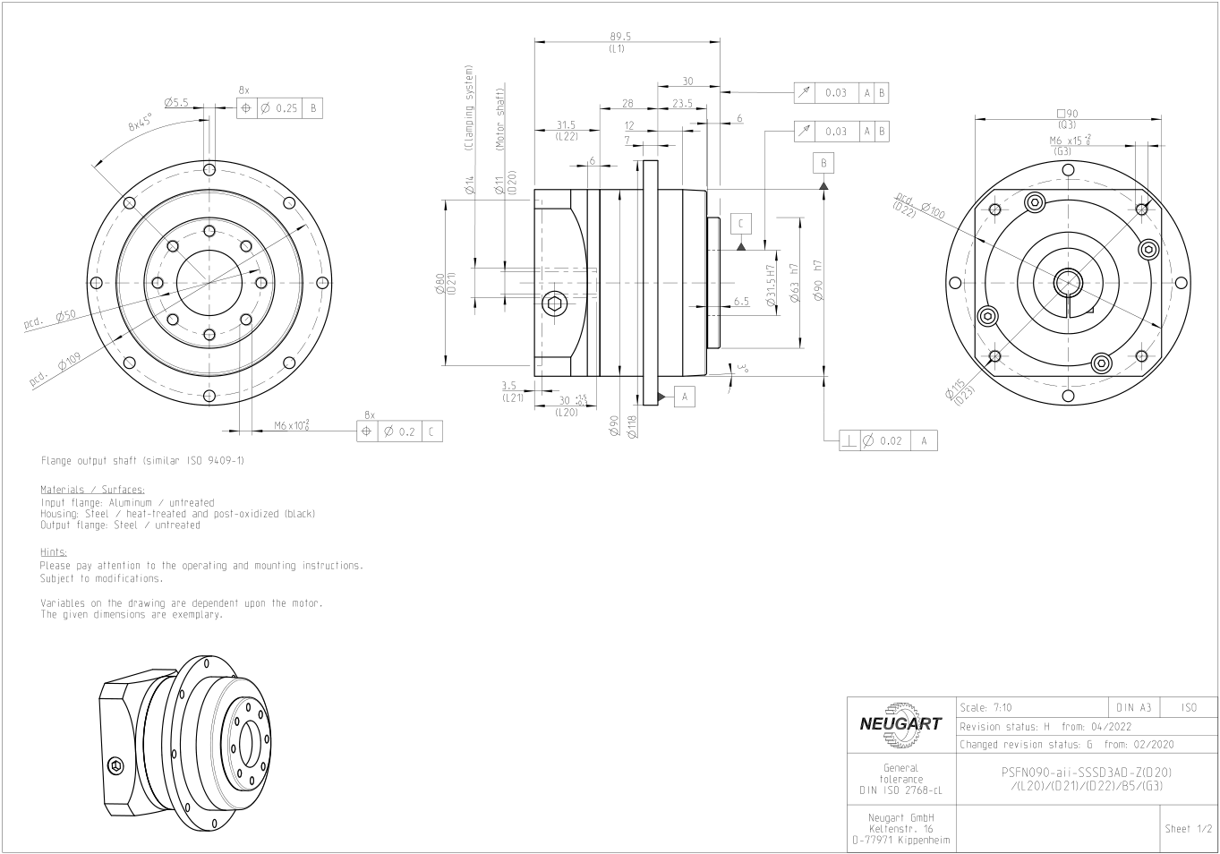
    Example of structure diagram of PSFN planetary gearbox:
    PSFN60 gearbox size drawing


    PSFN90 gearbox size drawing

    PSFN110結(jié)構(gòu)圖紙.pngPSFN110 gearbox size drawing

    PSFN gearbox dimension drawing download:

    PSFN064 reference drawing.zip

    PSFN090 reference drawing.zip

    PSFN110 reference drawing.zip

    PSFN140 reference drawing.zip

    PSFN200 reference drawing.zip


    Tel: 0755-82113520, 13823217507  
    E-mail: sales@sz -windrive. com  
    URL: ylry.cn com  
    Address: room 406, MaoYuan building, No. 9, Songyuan Road, Guiyuan street, Luohu District, Shenzhen  

    WeChat

    Links
    Shenzhen Win-Drive Automation Equipment Co., Ltd.  ALL RIGHT RESERVED 粵ICP備12016317號