Hello! Shenzhen Win-drive Automation Equipment Co., Ltd. welcomes you!
    0755-82113520、13823217507(WeChat)Site map|Legal Notice|Chinese
    Service
    Service
    Current location: Home Service Blueprint download WPLFE planetary gearbox size drawing download
    WPLFE planetary gearbox size drawing download

    2022-05-06|admin

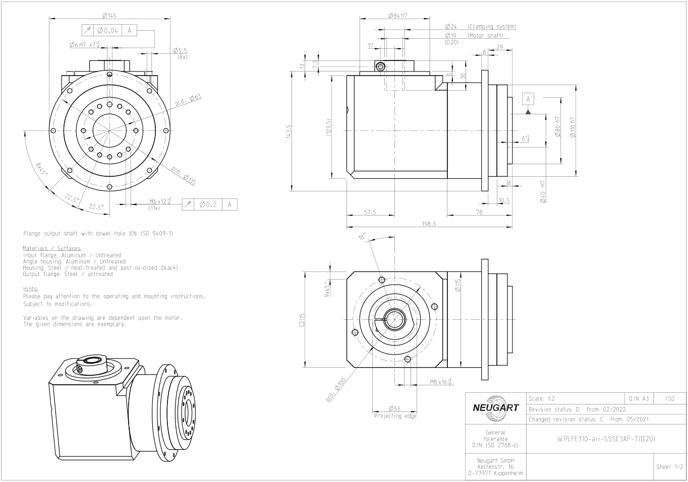
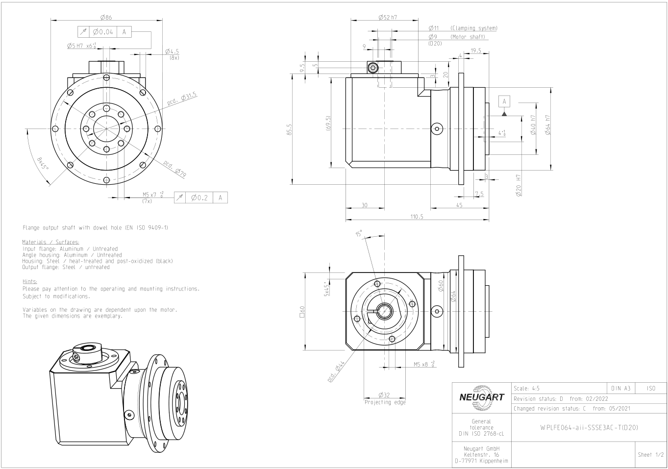
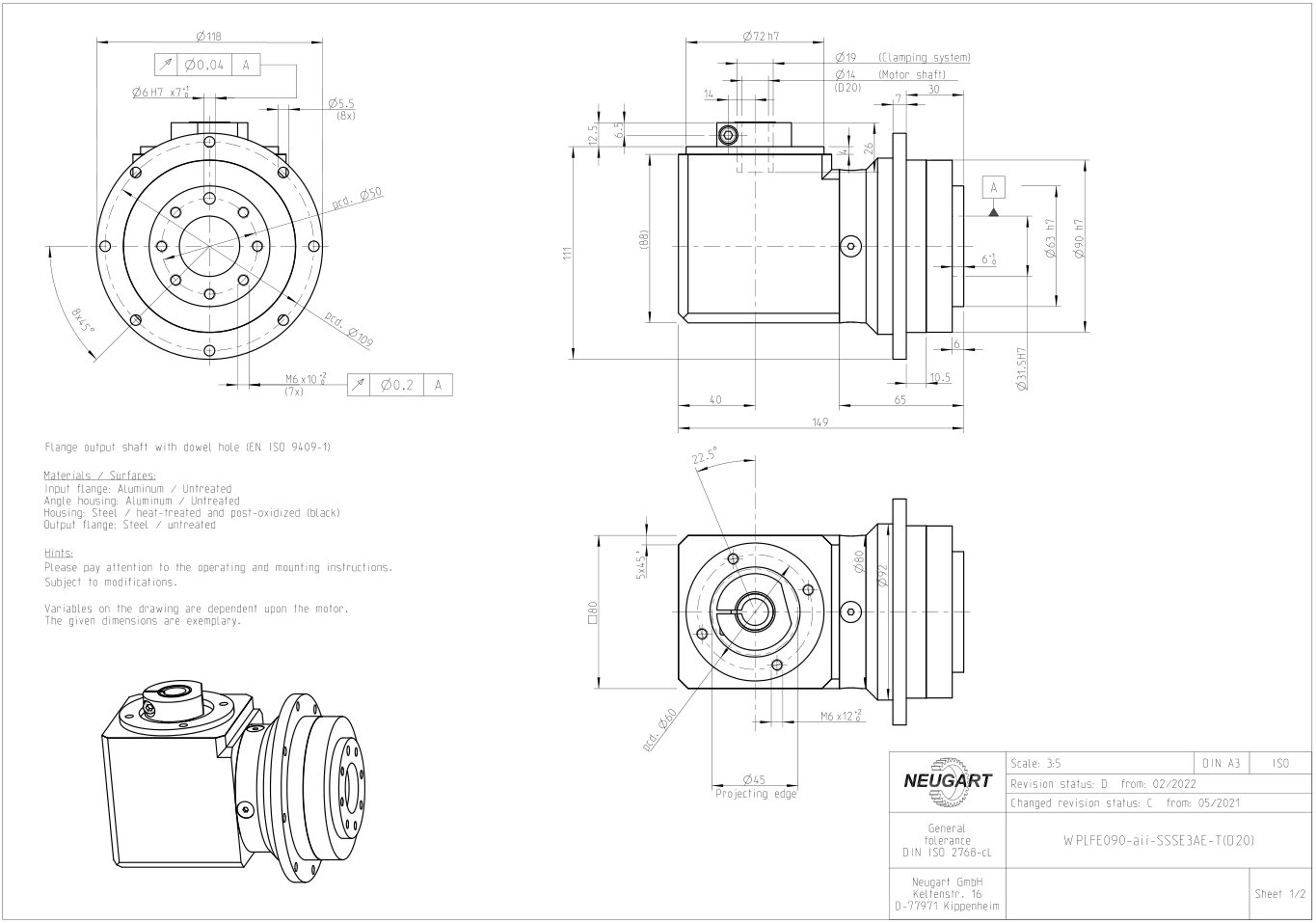
    WPLFE right-angle planetary gearbox adopts flange output mode, the overall structure is compact, saves one third of the installation space, and can be installed normally in some relatively narrow installation environments. This WPLFE gearbox has high torsional rigidity, and the built-in positioning pin holes also provide a certain safety guarantee for installation. The WPLFE gearbox has three structural sizes of 64, 90, and 110 to choose from. The overall structural size can be understood in the drawings below. If you need to customize it, you can contact the technology online. Planetary gearbox CAD drawing download, 3D model download, etc. are available.

    Example of internal dimension drawing of WPLFE planetary gearbox:WPLFE64 Structural Dimensions

    WPLFE90 Structural Dimensions

    WPLFE110減速機(jī)結(jié)構(gòu)尺寸.pngWPLFE110 Structural Dimensions


    WPLFE planetary gearbox structure and dimension diagram download:

    WPLFE064 Reference Drawings.zip

    WPLFE090 Reference Drawings.zip

    WPLFE110 Reference Drawings.zip



    Tel: 0755-82113520, 13823217507  
    E-mail: sales@sz -windrive. com  
    URL: ylry.cn com  
    Address: room 406, MaoYuan building, No. 9, Songyuan Road, Guiyuan street, Luohu District, Shenzhen  

    WeChat

    Links
    Shenzhen Win-Drive Automation Equipment Co., Ltd.  ALL RIGHT RESERVED 粵ICP備12016317號(hào)