Hello! Shenzhen Win-drive Automation Equipment Co., Ltd. welcomes you!
    0755-82113520、13823217507(WeChat)Site map|Legal Notice|Chinese
    Service
    Service
    Current location: Home Service Blueprint download Precision WPSFN Right Angle Flange Output Hollow Shaft Gearbox Dimensional Drawing
    Precision WPSFN Right Angle Flange Output Hollow Shaft Gearbox Dimensional Drawing

    2022-05-06|admin


    WPSFN is a NEUGART geared right-angle planetary gearbox with flanged output shaft and hollow shaft, which can be easily and quickly integrated into the system thanks to the standardized flange interface. The quality of the machined surface is achieved by optimizing the synchronizing function through the hypoid and helical planetary system. Download the drawings of the angular disc output planetary gearbox, download the model drawings of the full series of gearboxs, and download the drawings of the gearbox with different sizes and speed ratios.


    WPSFN flange right angle gearbox structure and dimension drawing:

    Dimensional drawing of WPSFN64 right angle flange gearbox
    Dimensional drawing of WPSFN90 right angle flange gearbox
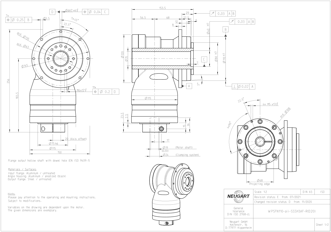
    Dimensional drawing of WPSFN110 right angle flange gearbox
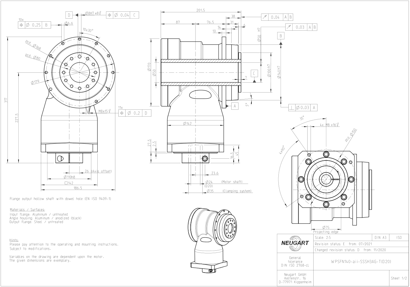
    Dimensional drawing of WPSFN140 right angle flange gearbox

    WPSFN flange right angle hollow shaft gearbox dimension drawing download:

    WPSFN064 reference drawing.zip

    WPSFN090 reference drawing.zip

    WPSFN110 reference drawing.zip

    WPSFN140 reference drawing.zip



    Tel: 0755-82113520, 13823217507  
    E-mail: sales@sz -windrive. com  
    URL: ylry.cn com  
    Address: room 406, MaoYuan building, No. 9, Songyuan Road, Guiyuan street, Luohu District, Shenzhen  

    WeChat

    Links
    Shenzhen Win-Drive Automation Equipment Co., Ltd.  ALL RIGHT RESERVED 粵ICP備12016317號